Elektronikplanung

Alle Themen rund ums Reisemobil und um deren Ausbau
JanN
Fast schon Admin
Fast schon Admin
Beiträge: 1335
Registriert: 27 Sep 2020 09:47
Wohnort: Hannover

Fahrerkarte

Re: Elektronikplanung

#16 

Beitrag von JanN »

wlfnkls hat geschrieben: 13 Okt 2021 06:58 Moin,

die geplanten Leselampen an der D-Säule verfügen über jeweils 2 USB Steckdosen.

Auf einen Wechselrichter verzichte ich erstmal, ich sehe da bei mir einfach nicht den Bedarf.

Eine Nespresso kommt mir allein wegen des miesen Unternehmens nicht ins Haus / Auto.

Die Kühlbox ist bereits im Plan, eine Mobicool FR40 :)
Dann hoffe ich mal, dass die USB-Steckdosen separat abschaltbar sind, und nicht permanent an der Batterie lutschen. Ich steh ja eh nicht so auf Gerätekombinationen, weil man bei einem Defekt auch Mal was wegwerfen muss, was eigentlich noch funktioniert.
Wenn man chinesische Elektronik bei Chinesen kauft, kostet sie bei gleicher Qualität und Leistung auch nur die Hälfte von dem, was ein deutscher Händler wie Batterium dafür nimmt. Ich bin mit meinem LVYuan DX-GAC 1500W Inverter sehr zufrieden. Damit befeuere ich allerlei Ladegeräte, betreibe einen kleinen Staubsauger, und er schafft beim basteln auch mal ne Lötstation oder ne Flex oder oder oder... Kaffee und anderes koche ich auch lieber mit Gas.
Wenn du die Mobicool noch nicht gekauft hast, dann solltest du dir die Magira MF40-C vielleicht mal ansehen - ich bin damit sehr zufrieden (und habe da kein Aktien oder sonstige Connections).
313CDI, 7G-tronic plus, I=3,923, L2H2 , Bj 5/2016 Mopf, Ahk, 225/75R16CP, LKW mit Reisemobileigenausbau
Wer weiß was er nicht weiß weiß mehr als der, der nicht weiß was er nicht weiß.
wlfnkls
Fühlt sich wie zu Hause
Fühlt sich wie zu Hause
Beiträge: 365
Registriert: 20 Aug 2020 14:23

Re: Elektronikplanung

#17 

Beitrag von wlfnkls »

 Themenstarter

JanN hat geschrieben: 13 Okt 2021 09:29 Dann hoffe ich mal, dass die USB-Steckdosen separat abschaltbar sind, und nicht permanent an der Batterie lutschen. Ich steh ja eh nicht so auf Gerätekombinationen, weil man bei einem Defekt auch Mal was wegwerfen muss, was eigentlich noch funktioniert.
Das ist natürlich ein valider Punkt, da hab ich nicht drüber nachgedacht sondern war eher froh, dass ich "schicke" USB Steckdosen ohne LED gefunden habe.
Das überdenke ich aber nochmal, danke für den Hinweis!
JanN hat geschrieben: 13 Okt 2021 09:29 Wenn man chinesische Elektronik bei Chinesen kauft, kostet sie bei gleicher Qualität und Leistung auch nur die Hälfte von dem, was ein deutscher Händler wie Batterium dafür nimmt. Ich bin mit meinem LVYuan DX-GAC 1500W Inverter sehr zufrieden. Damit befeuere ich allerlei Ladegeräte, betreibe einen kleinen Staubsauger, und er schafft beim basteln auch mal ne Lötstation oder ne Flex oder oder oder... Kaffee und anderes koche ich auch lieber mit Gas.
Da ich meine Erfahrung mit ective bereits gemacht habe, sind deren Produkte eh raus.
Der stärkste Verbraucher ist momentan das MacBook Netzteil (61W), dafür baue ich aber keinen Wechselrichter ein, das erschließt sich mir in dem Fall nicht, alleine wegen der Verlustleistung.
Es gibt gute Reisenetzteile von namhaften Herstellern und damit versuche ich es zuerst.

Sollte es doch nötig sein, wird ein WR eben nachgerüstet, aber auch nur ein kleines Gerät (keine Nespresso, kein Fön, keine Werkzeuge,...).
JanN hat geschrieben: 13 Okt 2021 09:29 Wenn du die Mobicool noch nicht gekauft hast, dann solltest du dir die Magira MF40-C vielleicht mal ansehen - ich bin damit sehr zufrieden (und habe da kein Aktien oder sonstige Connections).
Die Mobicool ist schon da :)
Gruß
Niklas

Reiseblog
Benutzeravatar
Tüdelbüdel
Fühlt sich wie zu Hause
Fühlt sich wie zu Hause
Beiträge: 435
Registriert: 28 Apr 2020 14:23
Wohnort: Ostsee

Re: Elektronikplanung

#18 

Beitrag von Tüdelbüdel »

Bei uns sind die usb-Steckdosen in den Leselampen/Nachtleuchten integriert.

Möchte ich nicht missen.
Meine Frau lädt tatsächlich nachts beim Stillen das Handy.

Die Kinder werden sicher auch irgendwann ihr Handy laden oder irgendwas mit USB haben.

Ich lasse mein Handy ja lieber aus. Mich ruft auch niemand an und WhatsApp-App habe ich nicht. Aber für den Familienfrieden sind die USB-Steckdosen wahrscheinlich wichtiger als gutes Wetter.
wlfnkls
Fühlt sich wie zu Hause
Fühlt sich wie zu Hause
Beiträge: 365
Registriert: 20 Aug 2020 14:23

Re: Elektronikplanung

#19 

Beitrag von wlfnkls »

 Themenstarter

Ob die USB Steckdose wichtiger ist, möchte ich nicht sagen, aber eine Steckdose in Bettnähe ist mir nicht unwichtig, da ich abends gerne einen Podcast höre und morgens soll das Telefon ja geladen sein :)

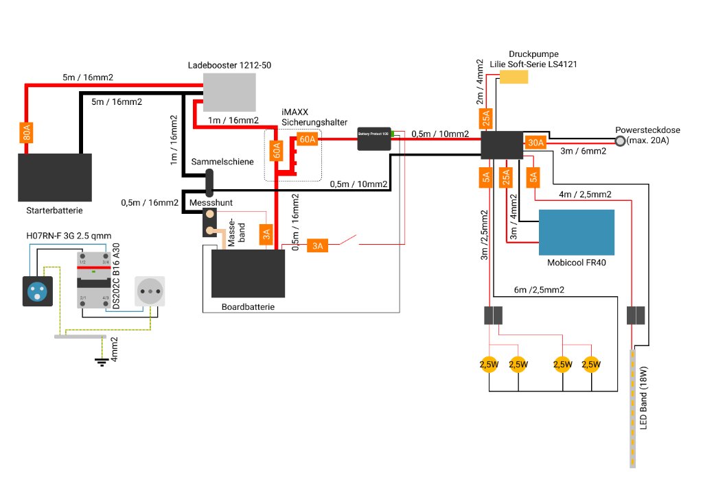
Ich habe den Plan um die Landstromeinspeisung erweitert und habe diesbezüglich noch 2 Fragen:
* nach VDE muss ich mit dem PE Leiter (4mm2) von der PE Sammelschiene ja an Masse. Kann ich dazu den werkseitigen Massepunkt an der D-Säule nutzen?
* passt der FI / LS? Es soll dieser werden: https://new.abb.com/products/de/2CSR252 ... 2c-b16-a30

Über die verbaute Feuchtraum-Schuko soll dann das CTEK Ladegerät angeschlossen werden.
Es wird auch nur diese eine Steckdose gegen.

Ich würde mich weiterhin sehr über eine kritische Betrachtung freuen, vielen Dank!
Desktop - 1 (2).jpg
Gruß
Niklas

Reiseblog
fOV
Stammgast
Stammgast
Beiträge: 245
Registriert: 16 Sep 2021 17:45

Re: Elektronikplanung

#20 

Beitrag von fOV »

der hier tut es auch:
ABB-DS201A-B16
und kostet ca. 1/3 davon
Grüßle
Oliver

VW Crafter Kasten 35 MR HD FRONT 0603 CBY
wlfnkls
Fühlt sich wie zu Hause
Fühlt sich wie zu Hause
Beiträge: 365
Registriert: 20 Aug 2020 14:23

Re: Elektronikplanung

#21 

Beitrag von wlfnkls »

 Themenstarter

Der von dir vorgeschlagene Automat ist nur zweipolig überwachend, aber nicht schaltend.

Im Falle einer Verpolung würde er N also nicht schalten.
Gruß
Niklas

Reiseblog
Benutzeravatar
Vanagaudi
Wohnt hier
Wohnt hier
Beiträge: 7693
Registriert: 18 Mai 2013 15:34
Wohnort: Schlootkuhlen

Galerie

Re: Elektronikplanung

#22 

Beitrag von Vanagaudi »

Tüdelbüdel hat geschrieben: 13 Okt 2021 10:02Aber für den Familienfrieden sind die USB-Steckdosen wahrscheinlich wichtiger als gutes Wetter.
Wir haben 12V-Steckdosen im Wagen verteilt. Sind universeller einzusetzen und dort kann ich auch das Netzteil vom Laptop dran hängen. Ein USB-Lader ist dort schnell eingesteckt.
Folgende Benutzer bedankten sich beim Autor Vanagaudi für den Beitrag:
JanN (14 Okt 2021 00:10)
Für (Folge-) Schäden aller Art übernehme ich keine Haftung. Alle einschlägigen (Sicherheits-) Vorschriften sind zu beachten. Im Zweifelsfalle grundsätzlich einen Fachmann fragen bzw. die Arbeiten von einer Fachfirma ausführen lassen.
fOV
Stammgast
Stammgast
Beiträge: 245
Registriert: 16 Sep 2021 17:45

Re: Elektronikplanung

#23 

Beitrag von fOV »

wlfnkls hat geschrieben: 13 Okt 2021 13:47 Der von dir vorgeschlagene Automat ist nur zweipolig überwachend, aber nicht schaltend.
..
Danke für den Hinweis. Zumindest hatte ich den "falschen" noch nicht bestellt.
Folgende Benutzer bedankten sich beim Autor fOV für den Beitrag:
wlfnkls (13 Okt 2021 15:15)
Grüßle
Oliver

VW Crafter Kasten 35 MR HD FRONT 0603 CBY
wlfnkls
Fühlt sich wie zu Hause
Fühlt sich wie zu Hause
Beiträge: 365
Registriert: 20 Aug 2020 14:23

Re: Elektronikplanung

#24 

Beitrag von wlfnkls »

 Themenstarter

Hallo zusammen :)

ich habe den Plan um einen Votronic Battery Protect 100 erweitert.
Ich habe die 100A Version gewählt, damit ich Luft nach oben habe, außerdem lässt sich dieser Battery Protect auch als Schalter nutzen, sodass die Verbraucher komplett vom Strom sind.

Es wäre wirklich nett, wenn sich jemand meinen beiden offenen Fragen nochmal annehmen könnte, bei dem Thema möchte ich einfach auf Nummer sicher gehen :)
wlfnkls hat geschrieben: 13 Okt 2021 10:48 Ich habe den Plan um die Landstromeinspeisung erweitert und habe diesbezüglich noch 2 Fragen:
* nach VDE muss ich mit dem PE Leiter (4mm2) von der PE Sammelschiene ja an Masse. Kann ich dazu den werkseitigen Massepunkt an der D-Säule nutzen?
* passt der FI / LS? Es soll dieser werden: https://new.abb.com/products/de/2CSR252 ... 2c-b16-a30
Hier noch der aktuelle Plan
Desktop - 1 (3).jpg
Vielen vielen Dank Euch!
Gruß
Niklas

Reiseblog
Benutzeravatar
Vanagaudi
Wohnt hier
Wohnt hier
Beiträge: 7693
Registriert: 18 Mai 2013 15:34
Wohnort: Schlootkuhlen

Galerie

Re: Elektronikplanung

#25 

Beitrag von Vanagaudi »

wlfnkls hat geschrieben: 14 Okt 2021 12:02* nach VDE muss ich mit dem PE Leiter (4mm2) von der PE Sammelschiene ja an Masse. Kann ich dazu den werkseitigen Massepunkt an der D-Säule nutzen?
Die Erdungsleitung von der Einspeisedose zur Fahrzeugmasse soll auf dem kürzesten Weg erfolgen, und vor allem nicht über eine Sammelschiene.
Für (Folge-) Schäden aller Art übernehme ich keine Haftung. Alle einschlägigen (Sicherheits-) Vorschriften sind zu beachten. Im Zweifelsfalle grundsätzlich einen Fachmann fragen bzw. die Arbeiten von einer Fachfirma ausführen lassen.
wlfnkls
Fühlt sich wie zu Hause
Fühlt sich wie zu Hause
Beiträge: 365
Registriert: 20 Aug 2020 14:23

Re: Elektronikplanung

#26 

Beitrag von wlfnkls »

 Themenstarter

Hallo :)

Ich schließe aus deiner Aussage, dass ich zwar den Massepunkt an der D-Säule nutzen kann, aber nicht über eine Sammelschiene sondern direkt von der CEE-Dose, korrekt? :)
Gruß
Niklas

Reiseblog
Benutzeravatar
Vanagaudi
Wohnt hier
Wohnt hier
Beiträge: 7693
Registriert: 18 Mai 2013 15:34
Wohnort: Schlootkuhlen

Galerie

Re: Elektronikplanung

#27 

Beitrag von Vanagaudi »

wlfnkls hat geschrieben: 14 Okt 2021 12:08Ich schließe aus deiner Aussage, dass ich zwar den Massepunkt an der D-Säule nutzen kann, aber nicht über eine Sammelschiene sondern direkt von der CEE-Dose, korrekt? :)
Wenn an der D-Säule der nächste Massepunkt ist, dann ist das korrekt.
Für (Folge-) Schäden aller Art übernehme ich keine Haftung. Alle einschlägigen (Sicherheits-) Vorschriften sind zu beachten. Im Zweifelsfalle grundsätzlich einen Fachmann fragen bzw. die Arbeiten von einer Fachfirma ausführen lassen.
wlfnkls
Fühlt sich wie zu Hause
Fühlt sich wie zu Hause
Beiträge: 365
Registriert: 20 Aug 2020 14:23

Re: Elektronikplanung

#28 

Beitrag von wlfnkls »

 Themenstarter

Ja, da ist einer, für die Rückleuchten schätze ich.

Ist an der Planung weiter nichts auszusetzen?
Das würde mich sehr beruhigen :)
Gruß
Niklas

Reiseblog
wlfnkls
Fühlt sich wie zu Hause
Fühlt sich wie zu Hause
Beiträge: 365
Registriert: 20 Aug 2020 14:23

Re: Elektronikplanung

#29 

Beitrag von wlfnkls »

 Themenstarter

Hallo zusammen,

wenn es gegen den verlinkten FI/LS sowie gegen den letzten Plan keine Einwände mehr gibt, bedanke ich mich für die Anteilnahme und setze das Ganze so um.

Besten Dank!
Gruß
Niklas

Reiseblog
wlfnkls
Fühlt sich wie zu Hause
Fühlt sich wie zu Hause
Beiträge: 365
Registriert: 20 Aug 2020 14:23

Re: Elektronikplanung

#30 

Beitrag von wlfnkls »

 Themenstarter

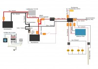
Da das Kabel von der Batterie zum iMAXX unmöglich den gleichen Querschnitt haben wie wie vom Booster zum iMAXX, hier nochmal eine angepasste Version:
Desktop - 1 (5).jpg
Gruß
Niklas

Reiseblog
Antworten