Elektronikplanung
Elektronikplanung
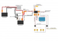
Hallo und moin,
Ich habe mich die letzten Tage mit der Planung der Elektronik beschäftigt und versucht einen möglichst genauen Plan zu erstellen.
Geplant ist noch ein Battery Protect 65A, der jetzt noch in der Zeichnung fehlt.
Über eine kritische Prüfung würde ich mich riesig freuen sowie über Verbesserungsvorschläge.
Sollten essentielle Informationen fehlen, reichen ich sie umgehend nach.
Tausend Dank euch!
Ich habe mich die letzten Tage mit der Planung der Elektronik beschäftigt und versucht einen möglichst genauen Plan zu erstellen.
Geplant ist noch ein Battery Protect 65A, der jetzt noch in der Zeichnung fehlt.
Über eine kritische Prüfung würde ich mich riesig freuen sowie über Verbesserungsvorschläge.
Sollten essentielle Informationen fehlen, reichen ich sie umgehend nach.
Tausend Dank euch!
- Tüdelbüdel
- Fühlt sich wie zu Hause

- Beiträge: 435
- Registriert: 28 Apr 2020 14:23
- Wohnort: Ostsee
Re: Elektronikplanung
Moin,
wie groß ist denn Dein Sprinter? Mir wäre das ganz erheblich zu wenig Licht.
18W habe ich als Beleuchtung der Arbeitsplatte Küche, 4 x 2,5 W LED im Durchgang nach hinten (Abstand 60cm).
Damit es hinten hell ist noch 4 Leselampen an den Betten.
Das reicht bei L3 gerade so für den Bereich ab Hinterkante Schiebetür bis zum Heck.
In der Dusche/Klo ist es dann noch immer dunkel und im Sitzbereich vorne auch.
Überlege Dir, vorsorglich ein paar mehr Strippen für Lampen zu legen.
Ich werde noch eine LED-Leiste am Seitenfenster über dem Tisch und noch 4x 2,5w Einbauspots im vorderen Dachhimmel einbauen (nachdem die Dachluke drin ist).
Wahrscheinlich auch noch zwei Lesespots Fahrer/Beifahrersitz.
Gruß
Tüdel
wie groß ist denn Dein Sprinter? Mir wäre das ganz erheblich zu wenig Licht.
18W habe ich als Beleuchtung der Arbeitsplatte Küche, 4 x 2,5 W LED im Durchgang nach hinten (Abstand 60cm).
Damit es hinten hell ist noch 4 Leselampen an den Betten.
Das reicht bei L3 gerade so für den Bereich ab Hinterkante Schiebetür bis zum Heck.
In der Dusche/Klo ist es dann noch immer dunkel und im Sitzbereich vorne auch.
Überlege Dir, vorsorglich ein paar mehr Strippen für Lampen zu legen.
Ich werde noch eine LED-Leiste am Seitenfenster über dem Tisch und noch 4x 2,5w Einbauspots im vorderen Dachhimmel einbauen (nachdem die Dachluke drin ist).
Wahrscheinlich auch noch zwei Lesespots Fahrer/Beifahrersitz.
Gruß
Tüdel
Re: Elektronikplanung
Hallo auch,
die 40A-sicherungen zur Steckdose und zur Kühlbox sind sicher/hoffentlich ein Fehler bei der Eingabe?
VG Steffen
die 40A-sicherungen zur Steckdose und zur Kühlbox sind sicher/hoffentlich ein Fehler bei der Eingabe?
VG Steffen
2013er 906 313 L3H2 als WoMo Selbstausbau für 3.
Standort Mitteldeutschland.
Standort Mitteldeutschland.
Re: Elektronikplanung
Moin
Der Crafter ist ein L2H2.Tüdelbüdel hat geschrieben: 12 Okt 2021 14:53 wie groß ist denn Dein Sprinter? Mir wäre das ganz erheblich zu wenig Licht.
2 Spots über dem Bett, 2 Spots im "Wohnbereich".
LED Band unter den Hängeschränken (Fahrerseite komplett mit Hängeschränken, LED Band ist in Summe 5m lang [kann entsprechend gekürzt werden]).
Was ich nun nicht eingezeichnet habe sind die Leselampen, 2 Stück an der D-Säule.
Ich habe bereits Leerrohre mit "Backup"Kabeln gezogenTüdelbüdel hat geschrieben: 12 Okt 2021 14:53 Überlege Dir, vorsorglich ein paar mehr Strippen für Lampen zu legen.
Hey
Tatsächlich! Das werden 30A Sicherungen (die 40A kamen wohl von den vorherigen 6mm2), danke für den Hinweis!Steffen80 hat geschrieben: 12 Okt 2021 14:58 die 40A-sicherungen zur Steckdose und zur Kühlbox sind sicher/hoffentlich ein Fehler bei der Eingabe?
Vielen Dank für euren Input!
Ich gehe also davon aus, dass kein grober Schnitzer drin ist?
Re: Elektronikplanung
Was nimmst du dicke Leitungen nach den 5A Sicherungen? Da reicht auch 0,75mm², die lassen sich auch viel leichter verlegen.wlfnkls hat geschrieben: 12 Okt 2021 11:01Über eine kritische Prüfung würde ich mich riesig freuen sowie über Verbesserungsvorschläge.
Für (Folge-) Schäden aller Art übernehme ich keine Haftung. Alle einschlägigen (Sicherheits-) Vorschriften sind zu beachten. Im Zweifelsfalle grundsätzlich einen Fachmann fragen bzw. die Arbeiten von einer Fachfirma ausführen lassen.
Re: Elektronikplanung
Jap, da hast du natürlich vollkommen Recht.
Die 2,5mm2 hatte ich über und sind teilweise schon in den Rohren.
Mussten auch nicht extra gekürzt oder "gecrimped" werden, waren reine Sparmaßnahmen
Die 2,5mm2 hatte ich über und sind teilweise schon in den Rohren.
Mussten auch nicht extra gekürzt oder "gecrimped" werden, waren reine Sparmaßnahmen
- Tüdelbüdel
- Fühlt sich wie zu Hause

- Beiträge: 435
- Registriert: 28 Apr 2020 14:23
- Wohnort: Ostsee
Re: Elektronikplanung
Von Elektrik habe ich keine Ahnung.wlfnkls hat geschrieben: 12 Okt 2021 15:07
Tatsächlich! Das werden 30A Sicherungen (die 40A kamen wohl von den vorherigen 6mm2), danke für den Hinweis!
Aber meinen 85l-Kompressorkühlschrank habe ich mit 5A abgesichert.
Da läuft zwar auch ein 6mm2 Kabel hin, aber die Anschlussleitungen sind ja nur putzige 0,5mm2.
Klappt bislang auch bei 30 Grad im Eiswürfelmodus...
Re: Elektronikplanung
Ich war unsicher wegen des Anlaufstromes, der laut Mobicool bzw Dometic beim 10fachen liegen kann.
Ob das nun zu vernachlässigen ist oder nicht, vermag ich nicht zu beurteilen, aber vielleicht kann ich da ja wirklich Querschnitt sparen?
Ob das nun zu vernachlässigen ist oder nicht, vermag ich nicht zu beurteilen, aber vielleicht kann ich da ja wirklich Querschnitt sparen?
Re: Elektronikplanung
Tatsächlich! Das werden 30A Sicherungen (die 40A kamen wohl von den vorherigen 6mm2), danke für den Hinweis!wlfnkls hat geschrieben: 12 Okt 2021 15:07
die 40A-sicherungen zur Steckdose und zur Kühlbox sind sicher/hoffentlich ein Fehler bei der Eingabe?
Vielen Dank für euren Input!
Ich gehe also davon aus, dass kein grober Schnitzer drin ist?
[/quote]
Ganz ehrlich: wenn die Steckdose max. 6A liefern soll/ wird, wozu wird dann mit 30A abgesichert?
Bei 3m auf 4mm² ergäben 30A ja schon extreme Werte. Das scheint mir nicht plausibel.
2013er 906 313 L3H2 als WoMo Selbstausbau für 3.
Standort Mitteldeutschland.
Standort Mitteldeutschland.
Re: Elektronikplanung
Das kann ich nachvollziehen, das liegt dann aber an der fehlenden Info meinerseits.
Die genutzte Powersteckdose ist für ein 65W Reisenetzteil reserviert, kann aber bis zu 20A (glaube ich, bin gerade unterwegs) belastet werden.
Entsprechend dafür habe ich den Querschnitt und dann eben für den Querschnitt die Sicherung gewählt, FALLS ein größerer Verbraucher betrieben wird.
Sorry, mein Fehler. Ich passe den Plan entsprechend an
Die genutzte Powersteckdose ist für ein 65W Reisenetzteil reserviert, kann aber bis zu 20A (glaube ich, bin gerade unterwegs) belastet werden.
Entsprechend dafür habe ich den Querschnitt und dann eben für den Querschnitt die Sicherung gewählt, FALLS ein größerer Verbraucher betrieben wird.
Sorry, mein Fehler. Ich passe den Plan entsprechend an
Re: Elektronikplanung
Guten Abend zusammen,
ich habe die Querschnitte und Sicherungen wie angemerkt überarbeitet.
Danke nochmal für den Austausch!
ich habe die Querschnitte und Sicherungen wie angemerkt überarbeitet.
Danke nochmal für den Austausch!
-
JanN
- Fast schon Admin

- Beiträge: 1335
- Registriert: 27 Sep 2020 09:47
- Wohnort: Hannover
- Fahrerkarte
Re: Elektronikplanung
Ich würde noch irgendwo in Bettnähe eine (oder zwei) 12V-Steckdosen vorsehen, damit man und Frau(?) mit USB-plug ihr Handy o.ä. laden können. Und wo ist der Wechselrichter (geht auch ohne Nespresso)?
Hast du die Kühlbox schon? Falls nicht: die 40l-Magiera-Box wäre noch eine gute und günstige Alternative..?
Hast du die Kühlbox schon? Falls nicht: die 40l-Magiera-Box wäre noch eine gute und günstige Alternative..?
313CDI, 7G-tronic plus, I=3,923, L2H2 , Bj 5/2016 Mopf, Ahk, 225/75R16CP, LKW mit Reisemobileigenausbau
Wer weiß was er nicht weiß weiß mehr als der, der nicht weiß was er nicht weiß.
Wer weiß was er nicht weiß weiß mehr als der, der nicht weiß was er nicht weiß.
Re: Elektronikplanung
Moin,
die geplanten Leselampen an der D-Säule verfügen über jeweils 2 USB Steckdosen.
Auf einen Wechselrichter verzichte ich erstmal, ich sehe da bei mir einfach nicht den Bedarf.
Eine Nespresso kommt mir allein wegen des miesen Unternehmens nicht ins Haus / Auto.
Die Kühlbox ist bereits im Plan, eine Mobicool FR40
die geplanten Leselampen an der D-Säule verfügen über jeweils 2 USB Steckdosen.
Auf einen Wechselrichter verzichte ich erstmal, ich sehe da bei mir einfach nicht den Bedarf.
Eine Nespresso kommt mir allein wegen des miesen Unternehmens nicht ins Haus / Auto.
Die Kühlbox ist bereits im Plan, eine Mobicool FR40
Re: Elektronikplanung
Mahlzeit,
wie greifst du den D+ ab?
Landstrom und Solar nimmst du nicht mit in die Planung auf?
Gruß am Morgen
Oliver; ebenfalls mit L2H2
wie greifst du den D+ ab?
Landstrom und Solar nimmst du nicht mit in die Planung auf?
Gruß am Morgen
Oliver; ebenfalls mit L2H2
Grüßle
Oliver
VW Crafter Kasten 35 MR HD FRONT 0603 CBY
Oliver
VW Crafter Kasten 35 MR HD FRONT 0603 CBY
Re: Elektronikplanung
Moin Oliver,
der Ladebooster läuft spannungsgesteuert, der ist auch schon im Einsatz.
Eine CEE Dose ist schon eingebaut, aber nicht verkabelt, aber ich zeichne es ein, hast Recht!
Solar ist geplant, aber noch nicht konkret.
Aber deswegen habe ich ja auch noch fast alle Plätze auf dem iMaxx Sicherungshalter frei sowie auf der Massesammelschiene.
Sollte Solar hinzukommen, müsste ja nur das Kabel vom iMaxx zur Batterie getauscht werden, oder täusche ich mich?
der Ladebooster läuft spannungsgesteuert, der ist auch schon im Einsatz.
Eine CEE Dose ist schon eingebaut, aber nicht verkabelt, aber ich zeichne es ein, hast Recht!
Solar ist geplant, aber noch nicht konkret.
Aber deswegen habe ich ja auch noch fast alle Plätze auf dem iMaxx Sicherungshalter frei sowie auf der Massesammelschiene.
Sollte Solar hinzukommen, müsste ja nur das Kabel vom iMaxx zur Batterie getauscht werden, oder täusche ich mich?








