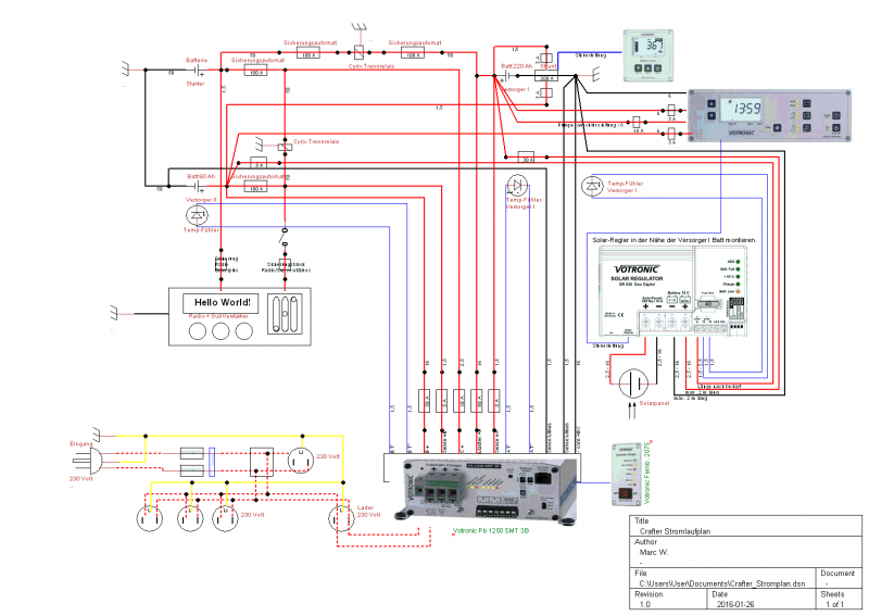
ich bin gerade am planen der Elektrik. Ich habe mal ein paar Schaltpläne gezeichnet, nun ist einer übrig geblieben.
Hoffe da ist nicht zu viel falsch
Da ich nicht wirklich wenig Ahnnung von der Materie habe, wäre es cool wenn Ihr mir sagen könntet was falsch ist bzw was man ändern sollte.
Das größte Problem ist das ich nicht weiß welche Sicherungen (Ampere) ich brauche.
Wie viele Ah sollte die Bordbatterie haben?
Mein Plan war es mit meinem Kühlschrank 24 Stunden autark zu sein. Dafür bräuchte ich aber eine Batterie mit über 200Ah.
Solar ist momentan nicht geplant.
Wie ihr auf dem Schaltplan seht, soll einmal der Strom über die Außensteckdose kommen und während der Fahrt über die Lichtmaschine.
An Verbrauchern hab ich geplant: Kühlschrank 12V 85W 7,1A geht aber auch mit 230V und Gas
Licht 12V 42W 3,5A
Pumpe für Waschbecken 12V 18W 1,5A
Hab einiges hier im Forum über Elektrik gelesen, aber 100% sicher bin ich mir leider nicht bei meinem Vorhaben.
Hoffe ihr könnt mir weiterhelfen
beste Grüße Hassler













